Share to
Magnetic encoder-Split RAM35.2/35.3
View similar products
Tag list
- Detailed
-
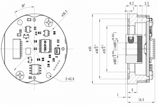
Mechanical Mimension Mrawing
RAM 35.2/35.3 Absolute Value Magnetic-Electric Split-type
Outer Diameter
∅35mm
Shaft Diameter
φ6mm;φ8mm
Supply Voltage
5V±0.25
Battery Voltage
3.6V
Communication Interface
RS485
Baud Rate
2.5MHz;4MHz
Update Rate
16K
Communication Protocol
Timed Transmission
Communication Code System
Positive Logic Binary Code
Resolution-Single-Turn
17bit
Resolution-Multi-Turn
16bit
Operating Speed
≤6000rpm
Operating Temperature
-10°-90°
Operating Humidity
<90% RH(no condensation)
Drawing Dimension Reference:
Mechanical Dimension Drawing-RAM35.2

Previous page:
Next page:
Magnetic encoder-Split RAM35.2/35.3
Inquire Now
Note: Please leave your email address, our professionals will contact you as soon as possible!
Related Products