Share to
Photo-Magnetic encoder-split RAMR35
View similar products
Tag list
- Detailed
-
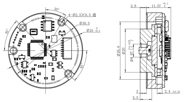
Model
RAMR35 Absolute Photoelectric Reflective Split-type
Outer Diameter
∅35mm
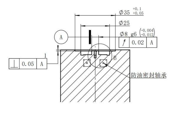
Shaft Diameter
φ8mm
Supply Voltage
5V±0.25
Battery Voltage
3.6V
Communication Interface
RS485
Baud Rate
2.5MHz (Optional for Mass Production)
Update Rate
16K
Communication Protocol
Timed Transmission
Communication Code System
Positive Logic Binary Code
Resolution-Single-Turn
17bit (23bit Optional)
Resolution-Multi-Turn
16bit
Operating Speed
≤6000rpm
Drawing Dimension Reference:
Mechanical dimension drawing

Motor End Design Dimensions


Previous page:
Next page:
Photo-Magnetic encoder-split RAMR35
Inquire Now
Note: Please leave your email address, our professionals will contact you as soon as possible!
Related Products