Share to
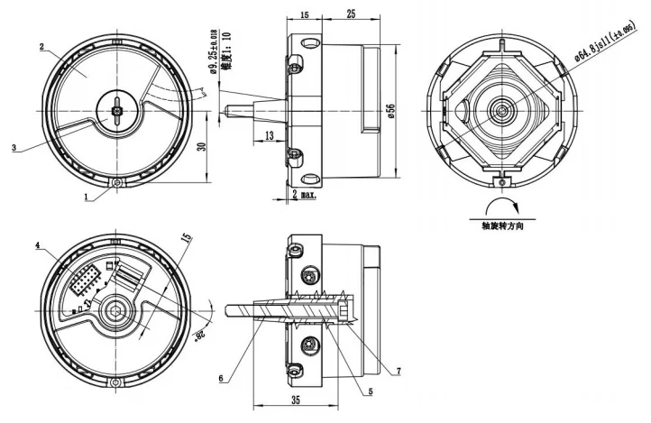
Sinecosine Incremental Encoder REN56U10
Sine cosine output, 2048ppr,suitable for elevators and servo motors
View similar products
Tag list
Sinecosine Incremental Encoder REN56U10
Sine cosine output, 2048ppr,suitable for elevators and servo motors
Inquire Now
Note: Please leave your email address, our professionals will contact you as soon as possible!
Related Products
