Share to
Hand Wheel RHC60.3
View similar products
Tag list
- Detailed
-
The Hand Pulse Generator is an optical rotary encoder designed for the manual input of pulses for CNC machine tools, and is mainly used in CNC machine tools for the setting of the home position of taught CNC machines, the fine-tuning of stepping in manual mode, and the insertion of interruptions in the machining process.
Product Type
RHC 60.3
Model
60.2 Silver Metal
60.3 Black Plastic
60.4 Black Metal
Supply Voltage
DC5V:DC8 - 26V
Output Circuit
Voltage Output
Push - pull
Open Collector
Line Driver
Wide Voltage Line Driver
Resolution
25ppr、100ppr
Signal
90° phase different, A & B signals output
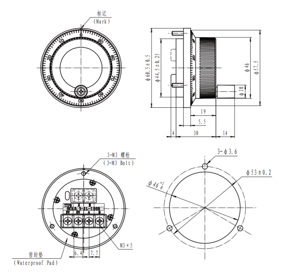
Drawing Dimension Reference:

Previous page:
Next page:
Hand Wheel RHC60.3
Inquire Now
Note: Please leave your email address, our professionals will contact you as soon as possible!
Related Products