Share to
Hand Wheel RHC80.2
View similar products
Tag list
- Detailed
-
All-metal housing design, durable, high reliability.
Metal gear, with good rotating hand feeling.
Line driver output ensures strong anti-jamming capability.
Used For CNC machine origin correction.
Silver metal housing optional.Product Type
RHC 80.2
Model
80.1 Silver Metal
80.2 Black Metal
80.3 Black Plastic
Supply Voltage
DC5V:DC8 - 26V
Output Circuit
Voltage Output
Push - pull
Open Collector
Line Driver
Wide Voltage Line Driver
Resolution
25ppr、100ppr
Signal
90° phase different, A & B signals output
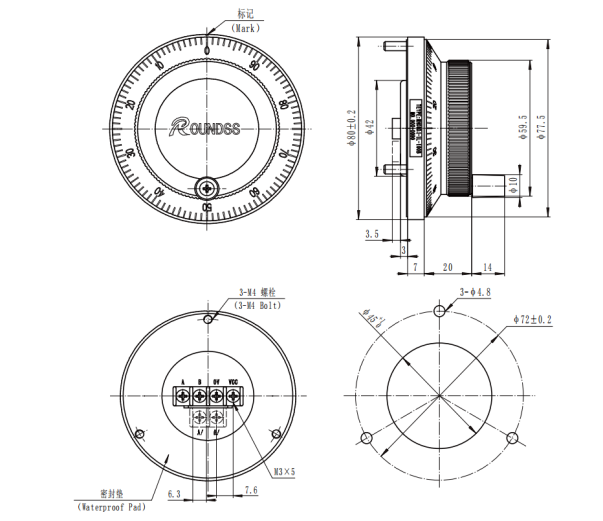
Drawing Dimension Reference:

Previous page:
Next page:
Hand Wheel RHC80.2
Inquire Now
Note: Please leave your email address, our professionals will contact you as soon as possible!
Related Products