Share to
Blind Hole Encoder RCC38H
View similar products
Tag list
- Detailed
-
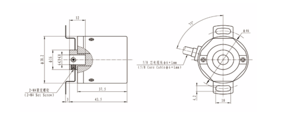
RCC38H is widely used to control the speed and position of CNC machines such as embroidery machine. Small outer diameter of 38mm, shaft hole 6/8mm optional, cable is divided into two kinds of radial output and axial output. Rugged construction, high reliability, strong anti-jamming performance, long service life.
Model
RCC38H6
Product Type
Semi - hollow Shaft Incremental Encoder
Outer Diameter
38mm
Shaft Diameter
6mm;8mm
Resolution
30, 60, 100, 120, 127, 128, 150, 200, 250, 256, 300, 360, 400, 500, 512, 600, 640, 720, 800, 900, 960, 1000, 1200, 1250, 1440, 1500, 1600, 1800, 2000, 2048, 2500, 2540, 2560, 3000, 3600, 4000, 5000; (Customizable)
Supply Voltage
DC5V; DC8-26V;DC10-30V; DC12V
Output Form
Voltage Output
Complementary Output
Open - collector Output
Long - line Drive Output
Wide - voltage Long - line Output
Output Signal
Output of Phase A (one - way)
90° Phase - shifted A & B Signals
Z signal
Maximum Speed
6000r/min
Maximum Radial/Axial Load
30N/20N
Operating Temperature
-20~85℃
Protection Rating
IP54
Drawing Dimension Reference:

Previous page:
Next page:
Blind Hole Encoder RCC38H
Inquire Now
Note: Please leave your email address, our professionals will contact you as soon as possible!
Related Products