
Share to
Photoelectric encoder DVC35
View similar products
Tag list
- Detailed
-
Model
DVC35T6
Outer Diameter
∅35mm
Shaft Diameter
φ6mm
Supply Voltage
5V±0.25
Electrical Output type
Sine-Cosine Output
Resolution
1024ppr;2048ppr
Output Signals
A: A - phase single - channel output
B: Two - channel output with 90° phase difference
M: Zero Position Signal
Universal Rotating Speed
8000rpm
Breaking Strength of Shaft and Bearing
≥650N
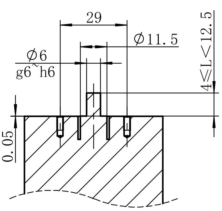
Mechanical dimension drawing:
Motor End Design Dimensions:
Previous page:
Next page:
Photoelectric encoder DVC35
Inquire Now
Note: Please leave your email address, our professionals will contact you as soon as possible!
Related Products