



Share to
Hollow Shaft Encoder REC100B30
View similar products
Tag list
- Detailed
-
REC100B30 is ultra-thin design to save space.Multiple mounting brackets are available for easy installation. The product IS widely used for automatic control, automatic measurement, remote control, computer technology as well as for measuring the angle and the vertical axis on CNC machine tools, especially for the use of the elevator industry.Imorted optoelectronic devices with high reliability, long life, strong anti-interference ability,wide range of operating temperature.
Model
REC100B30
Product Type
Clamp Hollow Shaft Rotary Incremental Encoder
Outer Diameter
100mm
Shaft Diameter
20-30mm
Resolution
120, 200, 360, 500, 512, 600, 720, 1000, 1024, 1200, 2048, 2500, 4096, 5000, 7200 (Customizable)
Supply Voltage
DC5V; DC8-26V;DC10-30V; DC12V
Output Form
Voltage Output
Complementary Output
Open - collector Output
Long - line Drive Output
Wide - voltage Long - line Output
Output Signal
Output of Phase A (one - way)
90° Phase - shifted A & B Signals
Z signal
Maximum Speed
4000r/min
Maximum Radial/Axial Load
40N / 20N
Operating Temperature
-20~85℃
Protection Rating
IP52
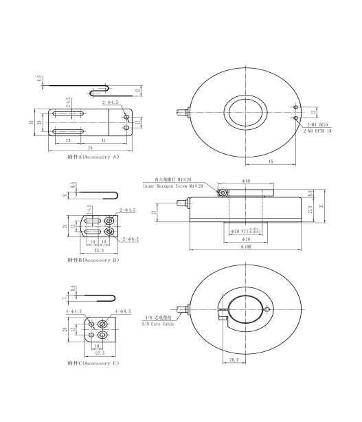
Drawing Dimension Reference:
Previous page:
Next page:
Hollow Shaft Encoder REC100B30
Inquire Now
Note: Please leave your email address, our professionals will contact you as soon as possible!
Related Products