
Share to
Textile Machine Encoder RPH66S10
View similar products
Tag list
- Detailed
-
This product is a compound encoder. it outputs two signals of A and B channels with a 90° phase difference, and its output absolute code is 8-bit binary Gray code.
It is widely used in systems such as automatic measurement and automatic control, and is especially suitable for textile machinery.The optoelectronic devices have high reliability,long service life, strong anti-interference ability, and a wide operating temperature range.
Model
RPH66S10
Product Type
Composite encoder
Outer Diameter
66mm
Shaft Diameter
10mm
Resolution
8bit
Supply Voltage
Incremental: 5V; Absolute: 24V
Output Form
Incremental: A/B/Z Square Wave; Absolute: 8 - bit Gray Cod
Output Code System
Binary Gray code
Response frequency
0-25KHz
Maximum Speed
1000 r/min
Operating Temperature
-25~85℃
Radial parameter
2×10⁻³ N·m
Output Signals
Incremental code: A, B signals with 90° phase difference, including Z signal; Absolute code: 8-bit binary Gray code
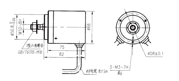
Drawing Dimension Reference:
Textile Machine Encoder RPH66S10
Inquire Now
Note: Please leave your email address, our professionals will contact you as soon as possible!
Related Products