




Share to
Tool Holder Encoder RFA42
This absolute photoelectric encoder can measure displacement, and output natural binary code.
View similar products
Tag list
- Detailed
-
- This absolute photoelectric encoder can measure displacement, and output natural binary code. Which is widely used in automatic measurement and control system.
- Small volume, light weight, resistance to shock and vibration characteristics, strong anti-interference ability etc
- Optoelectronic devices with high reliability, long life, strong anti-interference ability, wide service temperature etc..
Model
RFA42.1S6
Product Type
Absolute Solid Shaft Encoder (S: Solid Shaft)
Outer Diameter
42mm
Shaft Diameter
6 - 8mm
Supply Voltage
DC12 - 30V
Output Form
Voltage Output (E); Open Collector Output
Output Code System
Natural Binary
Response Frequency
5 kHz
Maximum Speed
5000 r/min
Maximum Radial/Axial Load
20 N / 10 N
Operating Temperature
-20°C ~ +85°C
Protection Rating
IP54
Number of Stations
6, 8, 10, 12
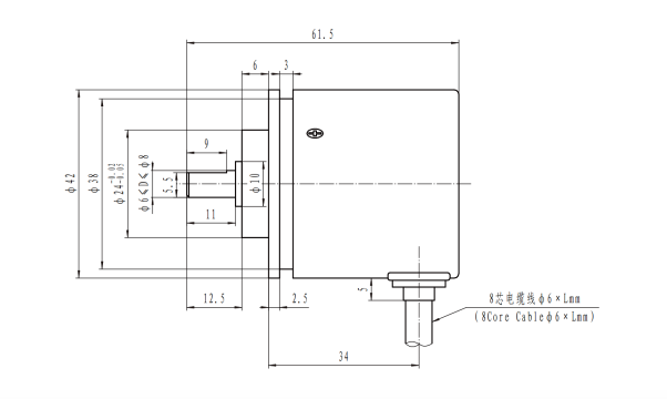
Drawing Dimension Reference:
Tool Holder Encoder RFA42
This absolute photoelectric encoder can measure displacement, and output natural binary code.
Inquire Now
Note: Please leave your email address, our professionals will contact you as soon as possible!
Related Products