
Share to
Photoelectric Encoder-Overall RAA48
View similar products
Tag list
- Detailed
-
Our company strives to improve quality and reliability, but in general, malfunctions and failures of semiconductor products cannot be completely avoided. Therefore, when using this product, please take safety measures in order to avoid accidents by considering the possible influences such as malfunction of this product. When the life or property of others is damaged or adversely affected due to the malfunction, failure, or life of this product, or when the installation and use of this product results in failure of the equipment, facilities or machinery used, regardless of the degree How, the company is not responsible. Users are responsible for the system security design by themselves.
The company is responsible for free repair or replacement for the failure of the product due to manufacturing reasons within 18 months of leaving the factory.Model
Basic:RAA48; With Temp Sensor: RTA48
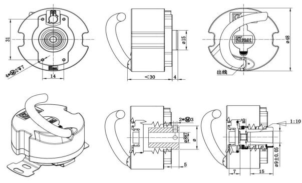
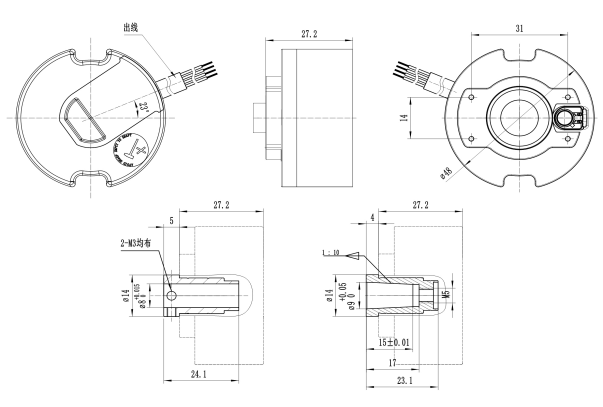
Outer Diameter
∅48mm
Shaft Diameter
φ9 Taper (1:10) / φ8 Straight / φ6 Straight(Custom for Mass Order)
Supply Voltage
5V±0.25
Battery Voltage
3.6V
Plate Spring
Models A, B, C, D available (refer to the catalog)
Communication Interface
RS485 (SSI, BISS Optional)
Baud rate
2.5MHz ;5MHz (Optional for Mass Production)
Update Rate
16K
Communication Protocol
Timed Transmission
Communication code system
Positive Logic Binary Code
Resolution-Single-turn
23bit (17bit, 25bit Optional)
Resolution-Multi-turn
16bit
Accuracy
> 30″
Operating Speed
Default ≤6000rpm; High Speed (6000 - 12000rpm)
Operating temperature
-20°-100°
Operating Humidity
<90% RH(no condensation)
Protection Class
IP54 (motor end cover seal protection)
Drawing Dimension Reference:
Dimensions of G - type Outlet
Dimensions of L - type Outlet
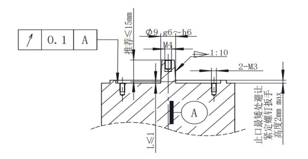
Motor End Design Dimensions (Taper)
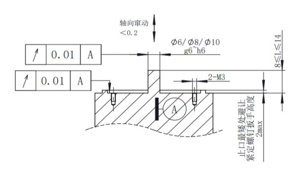
Motor End Design Dimensions (Straight)
Previous page:
Next page:
Photoelectric Encoder-Overall RAA48
Inquire Now
Note: Please leave your email address, our professionals will contact you as soon as possible!
Related Products